MOS管应用概述
2021-04-29
MOS管相比于三极管,开关速度快,导通电压低,电压驱动简单,所以越来越受工程师的喜欢,然而,若不当设计,哪怕是小功率MOS管,也会导致芯片烧坏,原本想着更简单的,最后变得更加复杂。这几年来一直做高频电源设计,也涉及嵌入式开发,对大小功率MOS管,都有一定的理解,所以把心中理解的经验总结一番,形成理论模型。
(一):等效模型
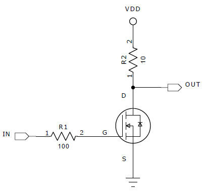
MOS管等效电路及应用电路如下图所示:
把MOS管的微观模型叠加起来,就如下图所示:
我们知道,MOS管的输入与输出是相位相反,恰好180度,也就是等效于一个反相器,也可以理解为一个反相工作的运放,如下图:
有了以上模型,就好办了,尤其从运放这张图中,可以一眼看出,这就是一个反相积分电路,当输入电阻较大时,开关速度比较缓慢,Cgd这颗积分电容影响不明显,但是当开关速度比较高,而且VDD供电电压较高,比如310V下,通过Cgd的电流比较大,强的积分很容易引起振荡,这个振荡叫米勒振荡。所以Cgd也叫米勒电容,而在MOS管开关导通或者关断的那段时间,也就是积分那段时间,叫米勒平台,如下图圆圈中的那部分为米勒平台,右边的是振荡严重的米勒振荡:
因为MOS管的反馈引入了电容,当这个电容足够大,并且前段信号变化快,后端供电电压高,三者结合起来,就会引起积分过充振荡,这个等价于温控的PID中的I模型,要想解决解决这个米勒振荡,在频率和电压不变的情况下,一般可以提高MOS管的驱动电阻,减缓开关的边沿速度,其次比较有效的方式是增加Cgs电容。在条件允许的情况下,可以在Cds之间并上低内阻抗冲击的小电容,或者用RC电路来做吸收电路。
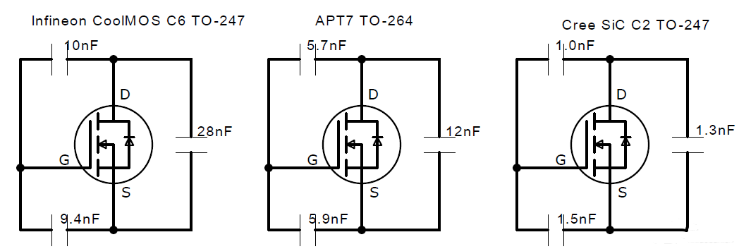
下图给出雨滴科技常用的三颗大功率MOS管的电容值:LCR电桥直接测量,具体型号就不提了。
从图上可以看出,Inifineon6代MOS管和APT7代MOS管性能远远不如碳化硅性能,它的各个指标都很小,当米勒振荡通过其他手段无法降低时,可以考虑更换更小的米勒电容MOS管,尤其需要重视Cgd要尽可能的小于Cgs。
(二):米勒振荡
可以这么讲,在电源设计中,米勒振荡是一个很核心的一环,尤其是超过100KHz以上的频率,而作者是做超高频感应加热电源的,工作频率在500K~1MHz范围,功率大于5KW,拓扑结构是LLC电路,H桥输出,此外为了实现功率线性可调节,采用40Hz PWM调制,可以理解为H桥以25mS为周期,不停的开始,关闭,而因为感应加热设备的负载是并联LC谐振环,这样每一次的开始等价于输出短路,所以开始的10来个周期的高频脉冲波形特别难看,米勒振荡很严重,如下图(Infineon C6 MOS管波形):
大家知道Si MOS的Vgs电压工作范围为正负20V,超过这个电压,栅极容易被击穿,所以在米勒振荡严重的场合,需要加限压的稳压二极管,一般采用15V稳压二极管,有些采用15V的TVS管,响应速度快,但是TVS管相比稳压二极管来说,精度比较差,一致性不是很强,一般情况下还是推荐用稳压二极管。
上图为MOS管GS之间并联了稳压二极管,实现15V驱动电压钳制。稳压二极管一般用于米勒振荡严重的场合,尤其是频率特别高的,对于波形良好的软开关,或者振荡不明显的硬开关,不需要稳压二极管钳制。
米勒振荡若只是引起GS绝缘层击穿,那么加稳压二极管很容易解决,问题的关键在于,米勒振荡往往引起二次开关,也就是说,导通了又关闭又导通,多次开关,多次开关带来的直接效应,就是开关损耗急剧提升。在高频开关中,MOS管的损耗分为导通损耗和开关损耗两种,导通损耗也就是通常所说的DS两极导通后的欧姆热损耗,然而在特别高的高频下,导通损耗是次要的,开关损耗上升为主要矛盾,所谓开关损耗就是从关闭到导通,或者从导通到关闭,因为这个0->1, 1->0的过程中,有高压,又有电流,所以这个损耗很大,最早开关电源都是采用硬开关的,而开关损耗在硬开关中表现突出,此外开关损耗因为有高的电压和强的电流,瞬间功率很高,比如电压310V,开关时中间电流假设为10A,则瞬间功率就有3100W,冲击性很强,容易导致MOS管局部损伤,所以为了解决硬开关,引入了零电压(ZVS)、零电流(ZCS)的软开关技术,然而虽然软开关技术很好的解决了开关损耗问题,但是开关损耗还是存在,只是大大降低了,但是米勒振荡的多次开关,又提升了开关损耗。
米勒振荡若只是以上两点问题,那还不是问题的根本,最最让设计者头疼的是,在大功率拓扑结构中广泛使用的H桥,米勒振荡会存在一种可能,那就是上下管子恰好在某同一时刻导通,若导通的时间略长一些,则引起上下管子通过的瞬间电流巨大,因为MOS管的内阻都很小,只有百毫欧级别,当310V除以百毫欧姆电阻,产生的瞬间电流都在上百A,哪怕因为布线存在电感,实际这个电流小一些,但这个瞬间产生的功率还是巨大的,假设瞬间100A,则瞬间功率31000W,这么强的瞬间冲击,很容易让功率管损伤甚至烧坏而炸机。很多时候,短时间在公司测试OK,甚至十来天都OK,功率管温度也不高,但是一到客户哪儿就出问题,往往跟这个有关。
总结以上,米勒振荡引起三个问题:
1、击穿GS电压,引入稳压二极管钳制。
2、二次开关,引入软开关。
3、上下管子导通,头大,斗争的重点,下一节讲。
下图为仿真的MOS管驱动波形,大家可以看到里面有一个米勒振荡,信号源为10V,100KHz

米勒振荡的本质是因为在高压和高速开关下,注意是高压和高速开关下,MOS管在高压高速开关下,就是一个典型的高增益负反馈系统,负反馈特别严重(上一节讲到MOS管就是反相器),高增益负反馈很容易引起振荡,尤其是反馈还是电容,又引入了相位移动,反馈相位接近270度。负反馈180度是稳定点,360度是振荡点,270度处于稳定与振荡点之间,所以强的负反馈会表现为衰减式振荡。(通俗的理解:输入因为有电感和电阻的限流,高压下反馈突变信号通过电容,因为不平衡引起振荡,这个类似热水器的温控PID。)
相同条件下,低压下因为负反馈没有这么剧烈,所以米勒振荡会很小,一般高频电源先用低压100V测试,波形很好,看不到米勒振荡,但是到了300V,波形就变差了。
(三):米勒振荡的应对
米勒振荡是因为强的负反馈引起的开关振荡,导致二次导通,对于后级大功率半桥、全桥等H桥拓扑结构应用中,容易导致上下管子瞬间导通从而炸毁管子,这个是开关电源设计中最核心的一环,所以如何避免米勒振荡可以认为是开关电源设计的核心关键。
A、减缓驱动强度
1、提高MOS管G极的输入串联电阻,一般该电阻阻值在1~100欧姆之间,具体值看MOS管的特性和工作频率,阻值越大,开关速度越缓。
2、在MOS管GS之间并联瓷片电容,一般容量在1nF~10nF附近。看实际需求。
调节电阻电容值,提高电阻和电容,降低充放电时间,减缓开关的边沿速度,这个方式特别适合于硬开关电路,消除硬开关引起的振荡。
B、加强关闭能力
1、差异化充放电速度,采用二极管加速放电速度
2、当第一种方案不足时,关闭时直接把GS短路
3、当第二种方案不足时,引入负压确保关断。
C、增加DS电容
在ZVS软开关电路中,比如UC3875移相电路中,MOS管DS之间,往往并联无感CBB小电容,一般容量在10nF以内,不能太大,有利于米勒振荡,注意该电容的发热量,频率更高的时候,需要用云母电容
D、提高漏极电感方式
相对应方案C的提高DS电容方式,该方案则采用提高漏极的电感方式
1、在漏极串联镍锌磁珠,提高漏极电感,减缓漏极的电流变化,降低米勒振荡,这个方案也是改善EMC的方法之一,效果比较明显,但该方案不适合高频率强电流的场合,否则该磁珠就发热太高而失效。
2、PCB布线时,人为的引入布线电感,增长MOS管漏极、源极的PCB布线长度,比如方案C的图中,适当提高半桥上下MOS管之间的引线,对改善米勒振荡有很大的影响,但这个需要自身的技术水平较高,否则容易失败,此外布线长度提高,需要相应的考虑MOS管的耐压,严重的,需要加MOS管吸收电路。
E、常用的MOS管吸收电路,利于保护MOS管因关闭时产生过高的电压导致DS击穿,对米勒振荡也有帮助,电路形式多样,以下列举四种,应用场合不同,采用不同的方式。


(四):基本参数
mos管的基本参数,大家熟悉的必然是Ids电流,Ron导通电阻,Vgs的阈值电压,Cgs、Cgd、Cds这几项,然而在高速应用中,开关速度这个指标比较重要。
上图四项指标,第一项是导通延时时间,第二项是上升时间,第三项是关闭延时时间,第四项是下降时间。定义如下图:
在高速H桥应用中,MOS管内部的反向并联寄生二极管的响应速度指标Trr,也就是二极管的反向恢复时间这个指标很重要,否则容易炸机,下图为高速二极管。
高速下,二极管也不是理想的,二极管导通后,PN节中充满了电子和空穴,当瞬间反向加电的时候,需要时间恢复截止,这个类似一扇门打开了,需要时间关上,但在高速下,这个关上的时间太长,就会导致H桥上下管子导通而烧坏。所以在高速应用中,直接因为MOS管工艺寄生的二极管的反向恢复时间太长,所以需要用特殊的工艺制作实现高速的内置二极管,但哪怕特殊工艺制作的,其性能也达不到独立的高速二极管性能,只是比原MOS管寄生的指标强一些而已,但已经满足大部分软开关的需求了,500KHz下没问题。比如Infineon的C6系列,后缀带CFD的管子,内部的二极管就是高速的。
若有些场合需要更高速的二极管,而内置的二极管性能达不到,则需要特殊的处理方式,MOS管先串联二极管,再外部并二极管,这样子实现,可以应用于频率超过500KHz的场合。

